Krótkie pytania i krótkie odpowiedzi.

Wszystko co dotyczy zwykłego utrzymania auta w fabrycznej specyfikacji
Awatar użytkownika
fonderal
Posty: 1280
Rejestracja: 09 października 2014, 10:10
Lokalizacja: WK i WL

Re: Krótkie pytania i krótkie odpowiedzi.

  • Cytuj
  • zaloguj się, by polubić ten post

Post autor: fonderal »

Nie spotkałem się z fabryczną rurką, źródła też milczą... Btw temat był dość dawno temu wałkowany na jakimś TB, BB czy innym volvoforums.org.uk, już nie pamiętam. Wnioski jw.
0 x
Awatar użytkownika
Sinuspi
Posty: 3183
Rejestracja: 05 lipca 2015, 15:18

Re: Krótkie pytania i krótkie odpowiedzi.

  • Cytuj
  • zaloguj się, by polubić ten post

Post autor: Sinuspi »

misica pisze:
Sinuspi pisze:
fonderal pisze: W 700/90 tak, we wszystkich. Leje się, ale więcej rudej znajdziesz pod akumulatorem, niż na mokrej podłużnicy. Ale zawsze można wetknąć jakąś rurkę...
a nie prawda, w grodzi było jakiś czas montowane do 9XX na pewno ! - jak śmierć w życiu - przelotka z rułką. W 7XX muszę się upewnić. ;)
Tak dla jasności: u mnie leci wewnątrz podłużnicy i wylatuje przez otwór w podłużnicy pod pasażerem.
A ta rurka sķąd, z którego miejsca miałaby odbierać wodę?

od klimy, przez gródź za podłożnice.
0 x
Kanciaste VOLVO - ZAWSZE w drodze.
Teoria jest wtedy, kiedy wiemy wszystko, a nic nie działa! Praktyka jest wtedy, kiedy wszystko działa, a nikt nie wie dlaczego
Awatar użytkownika
Sinuspi
Posty: 3183
Rejestracja: 05 lipca 2015, 15:18

Re: Krótkie pytania i krótkie odpowiedzi.

  • Cytuj
  • zaloguj się, by polubić ten post

Post autor: Sinuspi »

fonderal pisze:Nie spotkałem się z fabryczną rurką, źródła też milczą... Btw temat był dość dawno temu wałkowany na jakimś TB, BB czy innym volvoforums.org.uk, już nie pamiętam. Wnioski jw.
Obrazek

widać końcówkę w ścianie grodzi, do niej idzie ów rułka, która zwisa sobie obok podłużnicy. Tu jest część męska, brakuje żeńskiej. W 940 MK I też było takie cos gumowe
0 x
Kanciaste VOLVO - ZAWSZE w drodze.
Teoria jest wtedy, kiedy wiemy wszystko, a nic nie działa! Praktyka jest wtedy, kiedy wszystko działa, a nikt nie wie dlaczego
Awatar użytkownika
Milco
Posty: 217
Rejestracja: 29 października 2016, 19:24
Lokalizacja: Warszawa / Kędzierzyn-Koźle

Re: Krótkie pytania i krótkie odpowiedzi.

  • Cytuj
  • zaloguj się, by polubić ten post

Post autor: Milco »

fonderal pisze:Nie spotkałem się z fabryczną rurką, źródła też milczą... Btw temat był dość dawno temu wałkowany na jakimś TB, BB czy innym volvoforums.org.uk, już nie pamiętam. Wnioski jw.
Sinuspi pisze:widać końcówkę w ścianie grodzi, do niej idzie ów rułka, która zwisa sobie obok podłużnicy. Tu jest część męska, brakuje żeńskiej. W 940 MK I też było takie cos gumowe
(Prawdopodobnie wczesna) seria 700 bez klimy:
2F1F3AD6-B2A7-4E8E-A4A3-13C8FF50FDD7.gif
2F1F3AD6-B2A7-4E8E-A4A3-13C8FF50FDD7.gif (10.05 KiB) Przejrzano 5439 razy
Seria 700/900 z klimą:
E0415BC1-97C6-4486-BAF7-05D9B77D9392.gif
E0415BC1-97C6-4486-BAF7-05D9B77D9392.gif (89.46 KiB) Przejrzano 5439 razy
Tutaj nie widać, ale opisana i widoczna uszczelka w grodzi, która może sugerować, że ma przechodzić tam rurka:
E5C71EEF-8C07-4648-A6E0-16CAC9B7D600.gif
E5C71EEF-8C07-4648-A6E0-16CAC9B7D600.gif (34.89 KiB) Przejrzano 5439 razy
W późniejszych wersjach / z ecc / jest ten mały „kranik” z gumy, który większość zna i nie ma tam na pewno żadnej osobnej uszczelki.
0 x
Awatar użytkownika
kapsel
Posty: 248
Rejestracja: 11 listopada 2015, 20:19

Re: Krótkie pytania i krótkie odpowiedzi.

  • Cytuj
  • zaloguj się, by polubić ten post

Post autor: kapsel »

Jeżeli chodzi o wczesną serię 700 bez klimy to występuje tam gumowa rurka długości ok. 10cm, która dłuższą cześć ma w środku natomiast od strony silnika wystaje jej może ze 2cm które są skierowane w dół. Podobnie jak na załączonym zdjęciu powyżej. Z tą różnicą że w wczesnym 700 w grodzi jest okrągły otwór a w późniejszych i w 900 jest jakby prostokątna.
0 x
Awatar użytkownika
Sinuspi
Posty: 3183
Rejestracja: 05 lipca 2015, 15:18

Re: Krótkie pytania i krótkie odpowiedzi.

  • Cytuj
  • zaloguj się, by polubić ten post

Post autor: Sinuspi »

kapsel pisze:Jeżeli chodzi o wczesną serię 700 bez klimy to występuje tam gumowa rurka długości ok. 10cm, która dłuższą cześć ma w środku natomiast od strony silnika wystaje jej może ze 2cm które są skierowane w dół. Podobnie jak na załączonym zdjęciu powyżej. Z tą różnicą że w wczesnym 700 w grodzi jest okrągły otwór a w późniejszych i w 900 jest jakby prostokątna.
Schematy to potwierdzają, a rurka mogła być -usprawnieniem- użytkownika auta. Po 20 latach bywa rożnie.
0 x
Kanciaste VOLVO - ZAWSZE w drodze.
Teoria jest wtedy, kiedy wiemy wszystko, a nic nie działa! Praktyka jest wtedy, kiedy wszystko działa, a nikt nie wie dlaczego
Awatar użytkownika
kapsel
Posty: 248
Rejestracja: 11 listopada 2015, 20:19

Re: Krótkie pytania i krótkie odpowiedzi.

  • Cytuj
  • zaloguj się, by polubić ten post

Post autor: kapsel »

Nie, nie. 100 procent fabryka.
0 x
Awatar użytkownika
Sinuspi
Posty: 3183
Rejestracja: 05 lipca 2015, 15:18

Re: Krótkie pytania i krótkie odpowiedzi.

  • Cytuj
  • zaloguj się, by polubić ten post

Post autor: Sinuspi »

kapsel pisze:Nie, nie. 100 procent fabryka.
Mówię o zewnętrznej od grodzi.
0 x
Kanciaste VOLVO - ZAWSZE w drodze.
Teoria jest wtedy, kiedy wiemy wszystko, a nic nie działa! Praktyka jest wtedy, kiedy wszystko działa, a nikt nie wie dlaczego
Awatar użytkownika
fonderal
Posty: 1280
Rejestracja: 09 października 2014, 10:10
Lokalizacja: WK i WL

Re: Krótkie pytania i krótkie odpowiedzi.

  • Cytuj
  • zaloguj się, by polubić ten post

Post autor: fonderal »

Sinuspi pisze:
fonderal pisze:Nie spotkałem się z fabryczną rurką, źródła też milczą... Btw temat był dość dawno temu wałkowany na jakimś TB, BB czy innym volvoforums.org.uk, już nie pamiętam. Wnioski jw.
Obrazek

widać końcówkę w ścianie grodzi, do niej idzie ów rułka, która zwisa sobie obok podłużnicy. Tu jest część męska, brakuje żeńskiej. W 940 MK I też było takie cos gumowe
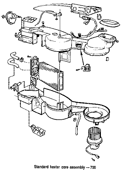
Rzeczywiście zagalopowałem się z siedemsetkami, zaś w 900 z klimą rurki omijającej podłużnicę nie spotkałem, vadis też nie. W wersji bez klimatyzacji rurka jest, przy klimie nie ma, leje się na podłużnicę. Na zdrowy chłopski powinno być odwrotnie, bo przy klimatyzacji leje się tam jak z kranu, a bez klimy w zasadzie wcale. No ale jest jak jest.

Bez klimatyzacji

Obrazek

i z klimatyzacją

Obrazek
0 x
Awatar użytkownika
Bałuch 79
Posty: 271
Rejestracja: 09 kwietnia 2019, 21:37
Lokalizacja: KRA
Kontakt:

Re: Krótkie pytania i krótkie odpowiedzi.

  • Cytuj
  • zaloguj się, by polubić ten post

Post autor: Bałuch 79 »

Czy to jest jakaś instalacja do radia?
20190624_152726.jpg
20190624_152726.jpg (1.55 MiB) Przejrzano 5362 razy
0 x
ODPOWIEDZ