Mapowanie gniazda "OBD" w podłokietniku, 940 roczniki 97-98

Wszystko co dotyczy zwykłego utrzymania auta w fabrycznej specyfikacji
Awatar użytkownika
Madman
Posty: 3
Rejestracja: 22 lutego 2025, 16:48
Lokalizacja: Czeladź

Mapowanie gniazda "OBD" w podłokietniku, 940 roczniki 97-98

  • Cytuj
  • zaloguj się, by polubić ten post

Post autor: Madman »

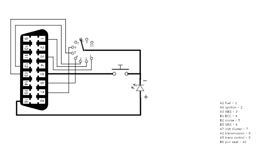
Ahoj, sprawa wygląda tak, że próbuję zaprojektować i wykonać (udostępnić plan jeśli się uda) takie narzędzie diagnostyczne do późnych roczników 940. One nie miały już pudełka ze zworkami pod maską, ale też nie wspierały standardu OBD2 mimo gniazda OBD w podłokietniku. Wiem, że wtyczka "OBD" jest w sumie przemapowanym pudełkiem ze zworkami spod maski, tylko że w żaden sposób nie opisana.

Da się do tego zlutować taki "klikacz" z guzikiem i diodą, ale od tego do którego pinu się wepnie zależy który moduł diagnozuje.
Wpadłem na pomysł pudełka z pokrętłem wyboru na wszystkie 10 możliwych modułów poza przyciskiem i diodą od pikania kodami. Pozostało zbieranie informacji króry pin to który moduł. Większość mam, ale mam nadzieję, że namierzę wszystkie z pomocą forum.

Póki co wiem po nomenklaturze pod-maskowego pudełka, że:

B1 climate control to pin 6 w "OBD"
A2 fuel system (Bosch LH) - 3
B2 cruise control - 13
A3 ABS - 12
B5 SRS - 7
A6 ignition system (EZK) - 1

A także wiadomo powszechnie, że 4 i 5 do masa oraz 16 to plus.

Brakuje mi pierdołek, od skrzyni automatycznej, el. foteli albo zegarów. Ale jednak mieć kompletne narzędzie lepiej.
A1 transmission
A7 combined instrument
A5 TCU (transmission control)
B6 power seat

W załączniku dodaję schemat tego co już mam, jakby ktoś chciał sobie polutować coś w ten deseń i jest nieszczęśliwcem posiadającym jeden z końcowych roczników.
Załączniki
Screenshot 2025-10-05 130013.png
Screenshot 2025-10-05 130013.png (33.11 KiB) Przejrzano 311 razy
2 x
1997 940 B230FT M90
Awatar użytkownika
Sinuspi
Posty: 3183
Rejestracja: 05 lipca 2015, 15:18

Re: Mapowanie gniazda "OBD" w podłokietniku, 940 roczniki 97-98

  • Cytuj
  • zaloguj się, by polubić ten post

Post autor: Sinuspi »

Tu znajdziesz to co szukasz.

https://volvoforum.pl/viewtopic.php?f=42&t=20570

Możesz trafić na chinola który również zaczyta ramki z błędami z LH

Tylko po co skoro klima ma swe migadełko, SRS i sterownik ma je również, ale od razu --> sopko - jak kto tam SE lubi mieć:D
0 x
Kanciaste VOLVO - ZAWSZE w drodze.
Teoria jest wtedy, kiedy wiemy wszystko, a nic nie działa! Praktyka jest wtedy, kiedy wszystko działa, a nikt nie wie dlaczego
Awatar użytkownika
Madman
Posty: 3
Rejestracja: 22 lutego 2025, 16:48
Lokalizacja: Czeladź

Re: Mapowanie gniazda "OBD" w podłokietniku, 940 roczniki 97-98

  • Cytuj
  • zaloguj się, by polubić ten post

Post autor: Madman »

"Nie masz uprawnień, aby przeglądać to forum.", konto założone, zweryfikowane... Nie wiem co jeszcze muszę na tamtym forum wyczarować, żeby widzieć temat.
0 x
1997 940 B230FT M90
Awatar użytkownika
Sinuspi
Posty: 3183
Rejestracja: 05 lipca 2015, 15:18

Re: Mapowanie gniazda "OBD" w podłokietniku, 940 roczniki 97-98

  • Cytuj
  • zaloguj się, by polubić ten post

Post autor: Sinuspi »

Madman pisze: 06 października 2025, 20:59 "Nie masz uprawnień, aby przeglądać to forum.", konto założone, zweryfikowane... Nie wiem co jeszcze muszę na tamtym forum wyczarować, żeby widzieć temat.
Może się zapisać :) są również fajni Ludzie
0 x
Kanciaste VOLVO - ZAWSZE w drodze.
Teoria jest wtedy, kiedy wiemy wszystko, a nic nie działa! Praktyka jest wtedy, kiedy wszystko działa, a nikt nie wie dlaczego
ODPOWIEDZ